) Pitch pin header
-
-materials (kontakter): kopparlegering, guld eller tenn (övernickel) finish
MATERIALS (HUS): Standard eller högtemperaturplast, rankad UL94V0 Aktuella: 3A per kontakt
MAXIMUM SPÄNNING: 800V AC, 500V DCKontakta KLASS: 30mΩ maxINSULATION KLASS: 1000 MQ minOPERATING TEMPERATUR:40 ℃ till 105 ℃
DURABILITY: 300 matningar (guld) eller 50 matningar (tenn)
DRAWINGS
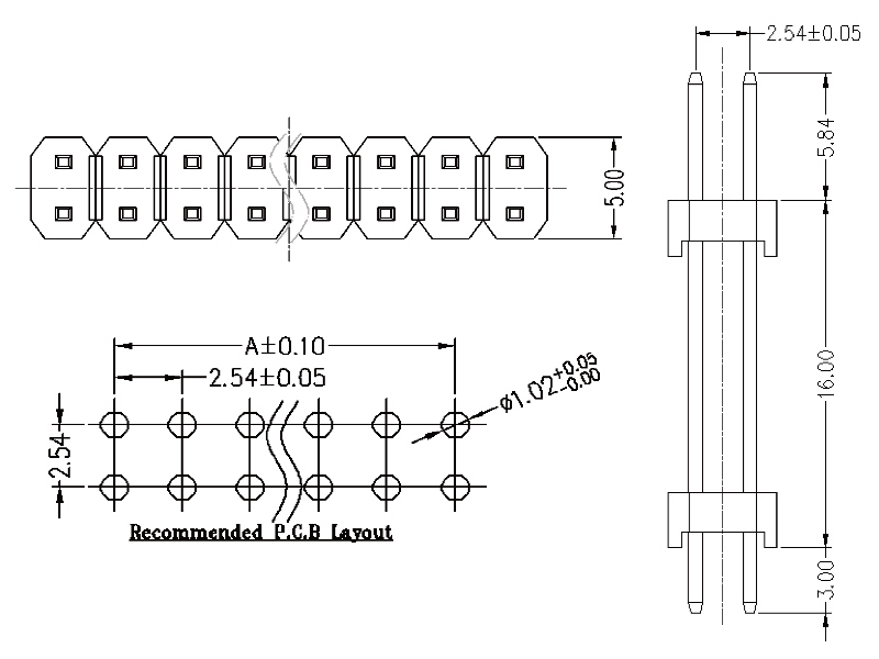
Följande ritning är 2.54mm dubbel rad två plaststift header serien. Kunder som vill beställa denna modell kan gärna kontakt med oss. Du kan anpassa måtten på denna modell också. Oavsett vilken storlek du behöver, kommer vi att erbjuda dig den bästa servicen.
-
/
What VI kAN PRODUCERA?

&#
Supply olika SPEC. Pin HeaderKvinna Header Series för att möta olika behov hos kunder
&#
what
39;? S Pin Header
Pin Header är en typ av elektriskt kontaktdon. Vi förkortas oftast som PH eller enkel rubrik,and har rykte om universella connectors.This typ av kontakt används ofta i PCB kretskort inom elektronik, elektriska apparater, och mätare.
-- What""39;?. är den funktion av stifthuvud"""its funktion är att fungera som en bro mellan blockerade eller isolerade kretsar i PCB board-kretsen, och ansvarig för ström eller signalöverföring"
What är HRE stiftdon modeller?&#Det finns många typer av stiftlister som klassificeras enligtnormerna i elektronikindustrin för att möta olika behov av. Enligt utrymmet, kan den grovt indelas i 2,54 mm (0,1 tum), 2,0 mm (0,079 tum), 1,27 mm (0,05 tum), 1,0 mm (0,04 tum), 0,8 mm (0,03 in). Avståndet mellan stift kallas vanligen som beck i det elektroniska samhället. I enlighet med antalet rader, det finns enda rad, dubbel rad, tre rader, etc. Enligt paketet användning, det finns fläckar SMT (ytmount teknik version) och propp
in DIP (stift genom hål-enheter),bland dem, kan SMT stiftlister vara uppdelad i horisontell stiftdon och vertikal stifthuvud, och DIP typer kan indelas i rak införing stiftdon och böjning ingsstiftlist. Förutom att vi delat upp den i tre typer enligt deras installationsmetod, är 180 ° installation representeras av
S, 90 ° installation representeras av
W

namn: Haimei Liang
Jobbtitel: sales manager
Avdelning: Sales Department
Företagets telefon: +86 0769 83450370
E-post: Kontakta oss
Mobiltelefon: +86 18929181819
Hemsida: dgwin.sweb2b.com
Adress: No.67,Dongshen Road,Qiaotou Town,Dongguan City,China